09:39

Электронная тормозная система EBS 2 WABCO

MAN EBS 2 WABCO подробное описание

Общая информация

EBS (Электронная тормозная система) обеспечивает возможность торможения и удержания автомобиля. При критических ситуациях во время движения, например при плохой погоде, скользком дорожном полотне, крутых поворотах или при неожиданно появившемся препятствии, дополнительные функции, как, например, ABS поддерживают водителя, улучшая его возможности управления автомобилем.

MAN EBS 2 WABCO подробное описание со схемами

EBS управляет подачей сжатого воздуха в тормозные цилиндры тормозного устройства посредством электромагнитных клапанов модуля регулирования давления. Сигналы от центрального тормозного устройства и модулей регулирования давления координирует блок управления EBS. Затем электрические сигналы о тормозном усилии передаются дальше по шине данных CAN всем модулям регулирования давления и клапану управления тормозами прицепа. Приложение и снятие тормозного усилия с электронным регулированием обеспечивает быстрое и одновременное торможение на всех мостах, а также быстрое освобождение тормозов. Тем самым, с одной стороны оптимизируется тормозное воздействие на всех колесах, а с другой стороны равномерный износ тормозных накладок увеличивает их срок службы.

Посредством регулирования силы сцепки.существенно снижается воздействие сжимающих и растягивающих усилий на дышло и шкворень.

При отказе электронного регулирования тормозного усилия автомобиль может надежно тормозиться посредством пневматического контура управления (резервный контур).

Блок управления EBS координирует все вышеперечисленные функции, управляя тормозами с помощью ABS, ASR или ESP. Пространственно близко находящиеся компоненты заднего и дополнительного мостов (датчики, клапаны, электроника) объединяются в блок модуля регулирования давления.

Основная концепция электропневматической системы

Для переднего моста и заднего моста имеется разделение контуров. Центральное тормозное устройство на переднем мосту снабжается сжатым воздухом через контур 1, а модуль регулирования давления на заднем мосту - через контур 2. В центральном тормозном устройстве выполняется регулирование давления для переднего моста. Тормозное усилие на переднем мосту регулируется с помощью этого модуля регулирования давления. Предписанная величина тормозного усилия передается от блока управления EBS через интерфейс CAN-тормоз.

При отказе электронного управления сжатый воздух поступает в тормозной цилиндр через резервную цепь. При этом в зависимости от вида отказа может также управляться через резервную цепь только лишь один мост.

MAN EBS 2 WABCO подробное описание со схемами

Резерв (Информация) электроники

Ядро расчетного блока (в блоке управления) содержит установленные с запасом микроконтроллеры (µC). После зажигания "ВКЛ" следует самопроверка блока управления. Затем модуль регулирования давления управляется микроконтроллерами, на него подается электропитание, и устанавливается связь через шину данных CAN. Датчик тормозного значения подает электрический резервный сигнал в блок управления EBS.

В блоке управления EBS входные сигналы датчика тормозного значения и от других компонентов обрабатываются обоими микроконтроллерами, и результаты обработки сравниваются. При положительном результате сравнения один из микроконтроллеров по шине данных CAN сообщает каждому модулю регулирования давления отрегулированную индивидуальным образом величину тормозного давления. Обратные сообщения шины данных CAN принимаются одним микроконтроллером и проверяются в обоих микроконтроллерах.

Концепция выбора давления в модуле регулирования давления

В каждый модуль регулирования давления интегрирован независимый контур регулировки давления

Модуль регулирования давления состоит из 4 элементов:

  • электронного блока управления с микроконтроллером,
  • электромагнитных клапанов,
  • релейного клапана
  • и датчика давления для измерения отрегулированного фактического давления.

В случае нормальных условиях при торможении на модуле регулирования давления установлены соответствующее заданное значение CAN и пневматическое тормозное усилие. К тормозному цилиндру поступает электрически отрегулированное давление.

В общих чертах выбор при имеющемся запасе сжатого воздуха можно описать следующим образом: 

Давление в тормозном цилиндре регулируется в соответствии с электрическим заданным значением, если на модуль регулирования давления подается электропитание, и заданное значение CAN равно 0. Тогда прохождение пневматического тормозного усилия перекрывается.

Давление в тормозной цилиндр поступает из резервного контура, если подача питания недостаточна, или же заданное значение CAN равно 0 или отсутствует.

Линия связи EBS с шиной данных CAN

Датчики, которые измеряют частоту вращения и износ тормозных накладок на колесах заднего моста, соединены непосредственно с модулем регулирования давления. Вся информация перерабатывается и используется электронной системой, которая интегрирована в модуль регулирования давления. Модуль регулирования давления соединен с помощью шины данных CAN с блоком управления EBS. Как только педаль управления рабочей тормозной системой приведена в действие, электрический и пневматический сигналы готовы к использованию. Если клапаны обесточены, то действуют пневматические сигналы управления через резервный контур. При этом модуль регулирования давления механически защищен в безопасной рабочей позиции.

Электронный блок управления

Блок управления EBS интегрирован в центральное тормозное устройство, координирует централизованным образом систему EBS и соединяет ее с другими системами, такими как электронная система управления впрыском дизельного топлива (EDC) или система управления коробкой передач, через шину данных T-CAN.

Электропитание

Электропитание для EBS базируется на двух отдельных соединениях с клеммой 30 (постоянная подача напряжения питания). Обе цепи предохраняются по отдельности и не могут быть использованы для питания других потребителей. Электропитание передается далее модулю регулирования давления, и напряжение в 5 В передается датчикам. Типовой блок подает, кроме того, стабилизированное напряжение в 5 В для внутреннего использования блоком управления.

Через клемму 30A (X1/1) поступает электропитание от аккумулятора на клапан регулировки давления, внутренний релейный клапан пропорционального регулирования и внутренний резервный клапан для переднего моста. Датчик частоты вращения ESP и датчик угла поворота рулевого колеса также получают электропитание из этого контура.

Через клемму 30B (X1/2) получают электропитание от аккумуляторной батареи модуль регулирования давления заднего моста и резервный клапан заднего моста.

Электроника центрального тормозного устройства (напряжение питания 5 В) получает электропитание как от клеммы 30A, так и от клеммы 30B.

Входные цепи

Входные цепи предназначены для подготовки сигналов для ввода в микроконтроллеры (µC). Наложенные паразитные сигналы на входах отфильтровываются. Посредством интерфейса с шиной данных CAN информация передается в обоих направлениях, к блоку управления и от блока управления, например, к диагностическому устройству.

Расчетный блок

Расчетный блок (в блоке управления) содержит два установленных с запасом микроконтроллера (µC) с ЭСППЗУ (EEPROM) и контроллер CAN (CAN общий, CAN-прицеп, CAN-тормоз, CAN-датчик). Микроконтроллеры используют сигналы, обработанные входными цепями, и управляют выдачей сигналов через шину данных CAN.

Интерфейсы сети CAN

CAN-трансмиссия: (T-CAN) Обмен данными с другими блоками управления.

CAN-прицеп: Обмен данными с прицепом посредством электрического соединения по DIN ISO 7638.

CAN-тормоз: Обмен данными между блоком управления EBS и модулями регулирования давления в тягаче и в прицепе.

CAN-датчик: Обмен данными между блоком управления EBS/ESP и датчиками ESP.

Сигналы датчика тормозного значения

Входящие сигналы датчика тормозного значения обрабатываются и проверяются. Заданные значения давления 1 и 2 составляют одно заданное значение. Оно корректируется в соответствии с предписаниями EOL и передается шине данных CAN.

Примечание

Синхронность между электрическим и и пневматическим контурами требуется, если с задней стороны тягача, заторможенного посредством электрического контура, эксплуатируется прицеп, управляемый лишь посредством пневматического контура. Следует обращать внимание на то, что напряжение датчика тормозного значения сравнивается с тормозным давлением на выходе модуля регулирования давления. Редукционные клапаны в пневматическом резервном контуре влияют на результат.

Контроль

Сумма встречных напряжений (заданное значение давления 1, заданное значение давления 2) контролируется в блоке управления EBS. Посредством неравных защитных резисторов опознается также короткое замыкание сигнальных проводников во время процесса торможения.

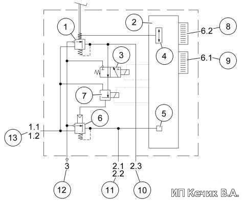
Центральное тормозное устройство с блоком управления EBS

Рис 1

MAN EBS 2 WABCO подробное описание со схемами

  1. Рабочий тормозной клапан
  2. Электрический блок управления
  3. Резервный клапан
  4. Переключатель датчика тормозного значения
  5. Интегрированный датчик давления
  6. Релейный клапан
  7. Клапан пропорционального регулирования
  8. Электрический разъем цепи управления (X2)
  9. Электрический разъем цепи управления (X1)
  10. Резервный трубопровод
  11. Рабочий трубопровод
  12. Выпуск воздуха
  13. Питающая магистраль

Центральное тормозное устройство включает в себя:

  • Датчик тормозного значения с 2 датчиками перемещения для определения тормозного значения и два выключателя для подтверждения использования тормоза.
  • Релейный клапан пропорционального регулирования для регулирования тормозного усилия на переднем мосту.
  • Резервный клапан (3/2-ходовой электромагнитный клапан) для переключения хода пневматического резерва на переднем мосту.

Электрический блок управления

Задачами электрического блока управления являются:

  • Определение заданного значения давления для всех осей и управления тормозами прицепа
  • Регулирование ABS на переднем мосту
  • Контроль всех компонентов EBS
  • Обмен данными с компонентами EBS
  • Обмен данными с другими системами автомобиля через шину данных CAN
  • Обмен данными с EBS прицепа через шину данных CAN
  • Обмен данными с компонентами ESP

Пневматическое устройство является одноконтурным. Контур переднего моста снабжает тормозной клапан, клапан пропорционального регулирования и релейный клапан. Удержание тормозного клапана можно в конце хода педали нарушить при регулировании давления ресивера в полном объеме. Резервное давление тормозного вентиля направляется непосредственно через разъем 2.3 к клапану управления тормозами прицепа и через дополнительный резервный клапан, отделенный от контура, к модулю регулирования давления заднего моста. С помощью интегрированного 3/2-ходового электромагнитного клапана можно регулировать резервное давление переднего моста. Если регулируется интегрированный 3/2-ходовой электромагнитный клапан, то он удерживает резервное давление. Клапан пропорционального регулирования регулирует пропорционально току давление, которое действует на камеру управления релейного клапана. Тормозное давление в разъемах 2.1/2.2 измеряется датчиком давления. Требуемое тормозное давление регулируется контуром регулировки давления центрального тормозного устройства. Релейный клапан содержит два разъема для тормозных цилиндров переднего моста. Резервное давление подается через два разъема центрального тормозного устройства. Регулировка ABS переднего моста выполняется в конструкциях 4S/4M с помощью внешних регулировочных клапанов ABS, которые управляются центральным тормозным устройством. Они расположены между центральным тормозным устройством и тормозными цилиндрами. В конструкциях 4S/3M регулировка ABS выполняется в соответствии с мостом с помощью релейного клапана пропорционального регулирования в центральном тормозном устройстве.

Разводка контактов блока управления EBS

Штекер Х1

Рис 2

MAN EBS 2 WABCO подробное описание со схемами

Штекер Х2

Рис 3

MAN EBS 2 WABCO подробное описание со схемами

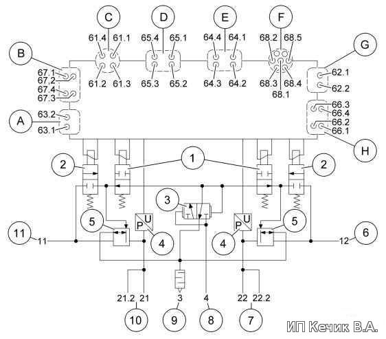
Модуль регулирования давления (2-канальный)

Рис 4

MAN EBS 2 WABCO подробное описание со схемами

  • A Датчик частоты вращения ведущего моста слева (B121)
  • B Датчик износа тормозной накладки ведущего моста слева (B335)
  • Pin 1 Масса датчика
  • Pin 2 не занятый
  • Pin 3 Сигнал датчика
  • Pin 4 Датчик напряжения электропитания
  • C Шина данных CAN и электропитание
  • Pin 1 Напряжение электропитания 24 В
  • Pin 2 Заземление на массу
  • Pin 3 CAN-High
  • Pin 4 CAN-Low
  • D Датчик износа тормозной накладки 2 заднего моста слева (B389)
  • Pin 1 Подключение датчика на массу
  • Pin 2 не занятый
  • Pin 3 Сигнал датчика
  • Pin 4 Датчик напряжения электропитания
  • E Датчик износа тормозной накладки 2 заднего моста справа (B338)
  • Pin 1 Подключение датчика на массу
  • Pin 2 не занятый
  • Pin 3 Сигнал датчика
  • Pin 4 Датчик напряжения электропитания
  • F Шина данных CAN и электропитание модуля управления тормозами прицепа
  • Pin 1 Напряжение электропитания 24 В
  • Pin 2 Заземление на массу
  • Pin 3 Сигнальный кабель
  • Pin 4 CAN-High
  • Pin 5 CAN-Low
  • G Датчик частоты вращения ведущего моста справа (B122)
  • H Датчик износа тормозной накладки ведущего моста справа (B334)
  • Pin 1 Подключение датчика на массу
  • Pin 2 не занятый
  • Pin 3 Сигнал датчика
  • Pin 4 Датчик напряжения электропитания
  • 1 Выпускной клапан
  • 2 Впускной клапан
  • 3 Резервный клапан
  • 4 Датчик давления
  • 5 Релейный клапан
  • 6 Подача энергии (запаса) справа
  • 7 Отвод энергии (прямой) справа
  • 8 Резервное подключение
  • 9 Выпуск воздуха
  • 10 Отвод энергии (прямой) слева
  • 11 Подача энергии (запаса) слева

Модуль регулирования давления встроен в электропневматическую тормозную систему между воздушным ресивером и тормозным цилиндром. Он регулирует давление в двух или четырех подключенных тормозных цилиндрах.

Он располагает пневматически независимыми каналами регулирования давления (каналы А и В) с соответствующими продувочными клапанами и клапанами удаления воздуха, соответствующим датчиком давления и общим электронным блоком регулирования. Задание номинальных значений давления и внешний контроль выполняются центральным тормозным устройством.

В дополнение к этому определяются датчиками частоты вращения и оцениваются скорости колес. При склонности колес к блокированию или пробуксовке заданное номинальное значение модифицируется. В дальнейшем при обнаружении слишком высокой степени проскальзывания ведущих колёс давление регулируется. Регулировка динамики автомобиля осуществляется регулятором проскальзывания колес, который включен в программное обеспечение модуля регулирования давления, подключает в случае стабилизации динамики к модулятору и изменяет давление в тормозных цилиндрах.

Через собственный соединительный штекер может быть приведен в действие внешний клапан управления тормозами прицепа. При этом вместе с датчиком давления, встроенным в клапан управления тормозами прицепа создается контур регулирования давления. Номинальное значение тормозного давления передается по шине данных CAN.

На датчик износа тормозных накладок подается напряжение питания от модуля регулирования давления, который также измеряет сигнал датчика. Сигналы, поступающие в модуль регулирования давления от датчика частоты вращения, датчика износа тормозных накладок, передаются дальше через шину данных CAN "Тормоз" в блок управления EBS.

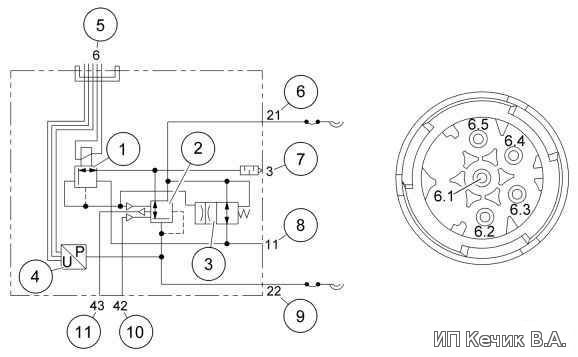
Модуль управления тормозами прицепа

Рис 5

MAN EBS 2 WABCO подробное описание со схемами

  • 1 Электромагнитный клапан пропорционального регулирования
  • 9 Тормозной трубопровод к прицепу
  • 2 Релейный клапан
  • 10 Давление управления рабочим тормозом
  • 3 Дроссель
  • 11 Давление управления стояночной тормозной системой
  • 4 Датчик давления
  • 6.1 Напряжение электропитания 24 В
  • 5 Электрический разъем цепи управления
  • 6.2 Заземление на массу
  • 6 Резервный трубопровод к прицепу
  • 6.3 Сигнальный кабель
  • 7 Выпуск воздуха
  • 6.4 CAN-High
  • 8 Подача энергии (запаса)
  • 6.5 CAN-Low

Клапан управления тормозами прицепа установлен в тормозной системе с электрическим регулированием в качестве исполнительного элемента для регулировки давления в соединительной головке.

Основной функцией модуля управления тормозами прицепа является регулировка тормозного давления в управляющем трубопроводе прицепа (разъем 22) и сравнение тормозных усилий (система регулирования силы сцепки) между тянущим и буксируемым транспортным средством. Стояночная тормозная система (разъем 43) и функция разрыва работают обычным образом.

Клапан управления тормозами прицепа включает в себя электромагнитный клапан пропорционального регулирования, релейный клапан для предотвращения разрыва соединения и датчик давления. Электрическое управление и контроль выполняются с помощью центрального тормозного устройства. Ток управления, заданный электрической схемой, посредством электромагнитного клапана пропорционального регулирования преобразуется в управляющее давление для релейного клапана. Выходное давление клапана управления тормозами прицепа пропорционально этому давлению. Пневматическое управление релейным клапаном выполняется при помощи резервного давления центрального тормозного устройства и давления на выходе клапана ручного тормоза.

Резервный клапан

Рис 6

MAN EBS 2 WABCO подробное описание со схемами

  • 1 3/2-ходовой электромагнитный клапан
  • 6 Выпуск воздуха
  • 2 Релейный клапан
  • 7 Резерв
  • 3 Отвод энергии
  • 6.1 Электрический разъем цепи управления
  • 4 Электрический разъем цепи управления
  • 6.2 Электрический разъем цепи управления
  • 5 Разъем цепи управления

Резервный клапан представляет собой комбинацию 3/2-ходового электромагнитного клапана с релейным клапаном для снижения регулируемого резервного давления на заднем мосту для автомобилей с высоким соотношением при загрузке и без нее на заднем мосту. Он предотвращает в неотложном случае избыточное торможение заднего моста.

Не оказывающее влияния выходное давление тормозного клапана в центральном тормозном устройстве является резервным регулирующим давлением для резервного клапана на заднем мосту. Этот комбинированный 3/2-ходовой электромагнитный релейный клапан уменьшает давление регулирования в соотношении 1:2. Пониженное давление регулирования действует в модуле регулировки давления заднего моста через специальный перепускной клапан непосредственно на поршни релейных клапанов двух контуров регулировки давления.

При исправной EBS в начале каждого торможения резервное давление отключается посредством 3/2-ходового электромагнитного клапана в резервном клапане. При неисправности EBS или полном отказе подачи электропитания в электронной цепи всегда, следовательно, действует указанный резерв.

Клапан регулирования давления

Рис 7

MAN EBS 2 WABCO подробное описание со схемами

  • 1 Выходное отверстие релейного клапана
  • 5 Электрический разъем цепи управления
  • 2 Входное отверстие релейного клапана
  • 6 Электрический разъем цепи управления выпускного клапана
  • 3 Подача энергии
  • 7 Выпуск воздуха
  • 4 Электрический разъем цепи управления впускного клапана
  • 8 Отвод энергии

Рис 8

MAN EBS 2 WABCO подробное описание со схемами

Датчик износа тормозных накладок (B332, B333, B334, B335, B388, B389)

На датчик износа тормозных накладок при включенном зажигании постоянно поступает импульсный модулированный сигнал. Датчик возвращает затем напряжение, соответствующее износу. Значение этого напряжения передается для оценки в блок управления EBS.

Блок управления EBS не может различать износ тормозных накладок и дисков.

Если превышено допустимое значение износа тормозной накладки, то блок управления EBS зажигает контрольную лампочку тормозных накладок, и на дисплее водителя появляется сообщение о неисправности "Износ тормозных накладок".

Регулировка износа тормозных накладок

Система регулировки износа тормозных накладок рассчитывает для каждого моста корректирующее значение для тормозного усилия при выполнении предписания о поддержке постоянной суммы тормозных усилий, с тем, чтобы обеспечить оптимизацию износа тормозных накладок и увеличение срока их службы. При этом не выполняется регулировка для каждого колеса отдельно.

Датчики частоты вращения (B119, B120, B121, B122, B223, B224)

Механизм датчиков частоты вращения состоит из явнополюсного ротора и индуктивного датчика частоты вращения. Явнополюсный ротор установлен в соответствии с известными условиями ABS.

При вращающемся колесе в датчике скорости вращения вырабатывается переменное напряжение, частота которого пропорциональна скорости колеса.

Датчики частоты вращения переднего моста электрически соединены непосредственно с блоком управления EBS (A402), а датчики частоты вращения заднего моста соединены с блоком регулировки давления заднего моста (Y264).

Контроль

Время, которое проходит до определения программным обеспечением короткого замыкания между разъемами датчика частоты вращения, зависит от скорости автомобиля.

Расчет скорости

Сигнал датчика частоты вращения заднего моста обрабатывается в модуле регулирования давления таким образом, что через шину данных CAN "Тормоз" в блок управления EBS поступает уже сигнал скорости. Из всех контролируемых колес и сообщенных сигналов состояния модуля для регулирования давления после учета различающегося диаметра шин и критериев пробуксовки рассчитывается скорость автомобиля, которая передается на шину данных CAN "Тормоз".

EBS ТОРМОЗНЫЕ СИСТЕМЫ С ЭЛЕКТРОННЫМ УПРАВЛЕНИЕМ ОПИСАНИЕ СИСТЕМЫ И ЕЕ ФУНКЦИОНИРОВАНИЯ - Скачать

 

Система Wabco EBS D для прицепов, описание системы - Скачать

Источники: mangruzovik.ru

Марка: Руководство по ремонту MAN серии TGA TGS TGM TGL TG XL F | Просмотров: 9384 | | Рейтинг: 5.0/1
Заметки: 0